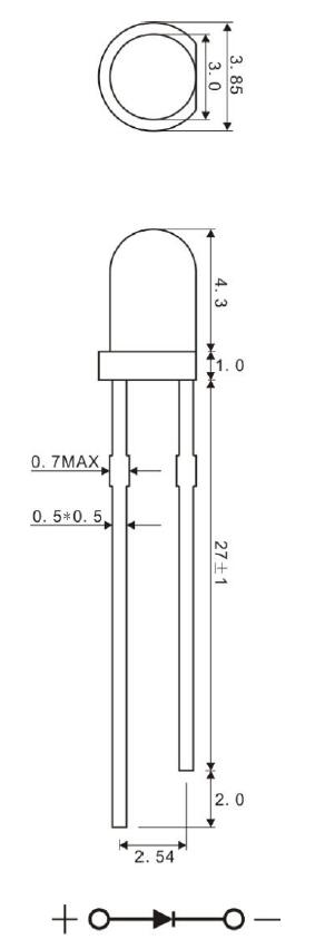
一、外形圖 Outline dimensions:

|
單位 Unit |
公差 Tolerance |
芯片材質 Die material |
膠體顏色 Lens color |
發光顏色 Emitting color |
|
mm |
±0.2mm |
AlGaInP |
Water Clear |
Yellow Green |
二、光電參數 Photo electricity Parameter
(環境溫度 Ambient temperature:25℃ 相對濕度 Humidity:RH 60%)
|
專案 Item |
符號 Symbol |
測試條件 Test condition |
最小值 Min |
典型值 Type |
最大值 Max |
單位 Unit |
|
反向電流 Reverse Current |
IR |
VR=5V |
/ |
/ |
10 |
μA |
|
正向電壓 Forward Voltage |
VF |
IF=20mA |
1.8 |
/ |
2.4 |
V |
|
發光強度 Luminous Intensity |
IV |
80 |
150 |
/ |
mcd |
|
|
主波長 Dominant Wavelength |
λd |
565 |
/ |
575 |
nm |
|
|
半光強角 Viewing Angle |
2θ1/2 |
/ |
30 |
/ |
deg |
備註:亮度測試公差±15%,波長測試公差±1nm,正向電壓測試公差±0.1V
Remark: The tolerance of intensity ±15%, the tolerance of wavelength ±1nm, the tolerance of forwards voltage± 0.1V.Only reference for above when testing.
三、極限參數 Absolute Maximum Rating
(環境溫度 Ambient temperature:25℃ 相對濕度 Humidity:RH 60%)
|
專案 Item |
符號 Symbol |
數值 Value |
單位 Unit |
備註 Remark |
|
正向電流 Forward Current |
IF |
25 |
mA |
|
|
峰值正向電流* Peak Forward Current* |
IFP |
50 |
mA |
|
|
功耗 Power Dissipation |
PD |
75 |
mW |
|
|
工作環境溫度 Operation Temperature |
Topr |
-40 to +85 |
℃ |
|
|
貯藏溫度 Storage Temperature |
Tstg |
-40 to +85 |
℃ |
|
|
焊接溫度 Soldering Temperature |
Tsol |
260±5℃ |
℃ |
Less than 5 Second |
*注:脈衝寬度≤0.1ms,佔空比≤1/10 *Note: pulse Width≤0.1ms,Duty≤1/10
仓库图片4
仓库图片3
仓库图片2
仓库图片1
選擇您需要的產品
及數量
提供您的聯絡信息
及收貨地址
成功付款後24小時內
安排發貨
7日內收貨,全新正品
確認收貨