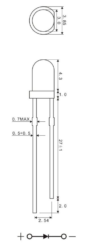
1.圖表 尺寸概述

|
單元 單元 |
寬容 寬容 |
芯片材料 垂死的材料 |
膠體 鏡頭顏色 |
鮮豔的色彩 ren顏色 |
|
嗯 |
±0.2mm |
Algainp |
透明的水 |
紅色的 |
2.光學參數 照片電動參數
(環境溫度 環境溫度二十五℃相對濕度 濕度RH 60%。
|
專案 物品 |
象徵 象徵 |
測試條件 測試條件 |
最低限度 部分 |
典型的 類型 |
最大限度 最大限度 |
單元 單元 |
|
反向電流 反向電流 |
ir |
VR = 5V |
/ / / / / / / |
/ / / / / / / |
十 |
μA |
|
訂單電壓 訂單電壓 |
VF |
如果= 20mA |
1.8 |
/ / / / / / / |
2.4 |
v |
|
光強度 亮度 |
iv |
450 |
850 |
/ / / / / / / |
MCD |
|
|
主波長 家庭波長 |
λd |
620 |
/ / / / / / / |
630 |
NM |
|
|
放下強角 顯示角度 |
2θ1/2 |
/ / / / / / / |
30 |
/ / / / / / / |
度 |
備註:亮度測試公差±15%,波長測試電阻±1nm,測試前電壓測試托盤長矛±0.1V
注意:抗強度 ±15%,波長極性 ±1NM,正向電壓的極性± 測試時的上述0.1V。
第三,極端參數 絕對最大的評估
(環境溫度 環境溫度二十五℃相對濕度 濕度RH 60%。
|
專案 物品 |
象徵 象徵 |
價值 價值 |
單元 單元 |
描述 描述 |
|
正電流 正向電流 |
如果 |
二十五 |
嘛 |
|
|
前電流峰* 峰向前電流* |
IFP |
50 |
嘛 |
|
|
能量消耗 電力披露 |
PD |
75 |
MW |
|
|
工作溫度 工作溫度 |
topr |
-40〜 +85 |
℃ |
|
|
儲存溫度 儲存溫度 |
TSTG |
-40〜 +85 |
℃ |
|
|
焊接溫度 焊接溫度 |
TSOL |
260±五℃ |
℃ |
不到5秒 |
*注意:脈衝寬度≤0.1ms,佔據佔空比1/10 *注意:脈衝寬度揮之不去0.1ms,值班揮之不去1/10
仓库图片4
仓库图片3
仓库图片2
仓库图片1
選擇您需要的產品
及數量
提供您的聯絡信息
及收貨地址
成功付款後24小時內
安排發貨
7日內收貨,全新正品
確認收貨