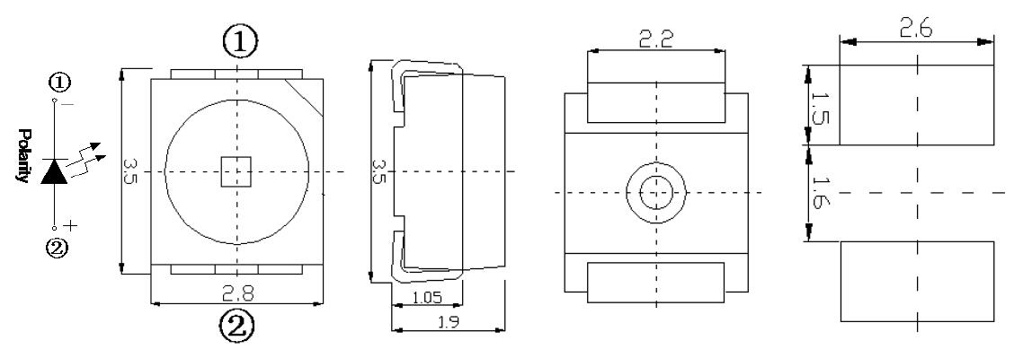
暗い 物理的次元/パッケージ(L/w/h):3.5x2.8x1.9mm
色/ 色: 輝く白い光 /ウルトラブライト標準白
コロイド/レンズ: 黄色の平面コロイド/黄色の拡散平らな型
eia標準標準パッケージ/ eia std pactkage
に沿った環境製品Rohs必要とする/ グリーン製品のRohsに会います
湿気 - 防御レベル:レベル5a / 水分感度:レベル5a
SMTアセンブリと溶接プロセスに適しています/ SMTアセンブリとはんだプロセスと互換性があります

|
パラメーター パラメーター |
シンボル シンボル |
最大評価値 評価 |
uniter ユニット |
|
消費電力 電力散逸 |
PD |
90 |
MW |
|
最大パルス電流/ ピーク前方電流(1/10 デューティ比、0.1ms 静脈治す |
IFP |
100 |
Ma |
|
ポジティブなDC作業電流 DCフォワード電流 |
もし |
25 |
Ma |
|
逆電圧 逆電圧 |
VR |
5 |
v |
|
作業温度 動作温度範囲 |
topr |
-30°C〜 + 85°c |
|
|
ストレージ環境温度 ストレージ温度範囲 |
TSTG |
-40°C〜 + 90°c |
|
|
溶接条件 はんだ状態 |
TSOL |
返金溶接/リフローはんだ:260°c 、、、、10秒 手動溶接/ハンドはんだ付け:300°c 、、、、3秒 |
|
|
パラメーター パラメーター |
シンボル シンボル |
最小 分 |
代表する タイプ。 |
最大 マックス。 |
uniter ユニット |
試験条件 テスト条件 |
|
ライト 光度 |
IV |
- |
1400 |
- |
MCD |
if = 20ma |
|
強い角度をハーライライトします 表示角度 |
2θ1/2 |
--- |
120 |
--- |
deg |
if = 20ma |
|
カラーシート Cie 1931 Codarinal |
バツ |
--- |
0.26 |
--- |
--- |
if = 20ma |
|
y |
--- |
0.24 |
--- |
--- |
if = 20ma |
|
|
色温度 色の温度 |
CCT |
--- |
10000 |
--- |
k |
if = 20ma |
|
順方向電圧 順方向電圧 |
VF |
2.6 |
--- |
3.2 |
v |
if = 20ma |
|
逆電流 逆電流 |
ir |
--- |
--- |
5 |
μa |
VR = 5V |
仓库图片4
仓库图片3
仓库图片2
仓库图片1
必要な製品を選択してください
量
連絡先情報を提供します
受信アドレス
支払いが成功してから24時間以内
配達を手配します
7日以内に商品を受け取りました、新しい本物の製品
商品の受領を確認します