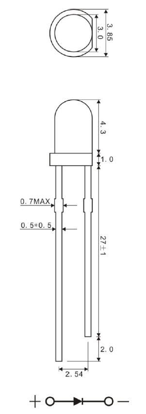
1.チャート 寸法の概要

|
ユニットユニット |
耐性耐性 |
チップマテリアルダイマテリアル |
色のレンズカラー |
色を放射します |
|
んん |
±0.2mm |
インガン |
白い拡散 |
青 |
二、光学パラメーター 写真電気パラメーター
(周囲温度 アンビエントテンピキュア:25℃湿度湿度:RH60%)
|
プロジェクト アイテム |
シンボル シンボル |
試験条件 テストコンディション |
最小 分 |
典型的な タイプ |
最大 マックス |
ユニット ユニット |
|
順方向電圧 順方向電圧 |
VF |
if = 20ma |
2.6 |
/ / |
3.4 |
v |
|
逆電流 逆電流 |
ir |
VR = 5V |
/ / |
/ / |
10 |
μa |
|
光強度 光度 |
IV |
if = 20ma |
400 |
700 |
/ / |
MCD |
|
主な波長 支配的な波長 |
λd |
if = 20ma |
465 |
/ / |
475 |
nm |
|
強い角度をハーライライトします 表示角度 |
2θ1/2 |
if = 20ma |
/ / |
30 |
/ / |
deg。 |
備考:輝度テストトレランス±15%、Wavelevaテスト許容度±±±±±±±1nm、正の電圧テスト許容度±0.05V
述べる強度の耐性:±15%、波長の耐性:±1nm、前方電圧の極性:±0.05V。テスト時の上記のデータのみの参照。
3.極端なパラメーター絶対最大定格
(周囲温度 アンビエントテンピキュア25hum湿 湿度rh60%。
|
プロジェクト アイテム |
シンボル シンボル |
価値 価値 |
ユニット ユニット |
述べる 述べる |
|
正の電流 フォワード電流 |
もし |
25 |
Ma |
--- |
|
分散能力 電力散逸 |
PD |
100 |
MW |
--- |
|
作業温度 手術 温度 |
topr |
-40to+85 |
℃ |
--- |
|
保管温度 ストレージの温度 |
TSTG |
-40to+100 |
℃ |
--- |
|
溶接温度 はんだ付けの気温 |
TSOL |
260±5 |
℃ |
5秒未満 |
仓库图片4
仓库图片3
仓库图片2
仓库图片1
必要な製品を選択してください
量
連絡先情報を提供します
受信アドレス
支払いが成功してから24時間以内
配達を手配します
7日以内に商品を受け取りました、新しい本物の製品
商品の受領を確認します