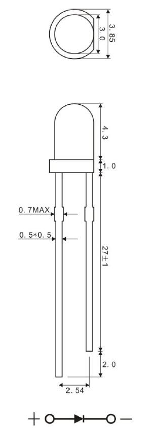
1.チャート 寸法の概要

|
ユニット ユニット |
許容範囲 許容範囲 |
チップ素材 死ぬ素材 |
コロイド レンズの色 |
輝く色 色を放射します |
|
んん |
±0.2mm |
インガン |
白い拡散 |
白 |
2.光学パラメーター 写真電気パラメーター
(周囲温度 アンビエントテンピキュア25℃相対湿度 湿度RH 60%。
|
プロジェクト アイテム |
シンボル シンボル |
試験条件 テスト条件 |
最小 分 |
典型的な タイプ |
最大 マックス |
ユニット ユニット |
|
順方向電圧 順方向電圧 |
VF |
if = 20ma |
2.6 |
/ / |
3.4 |
v |
|
逆電流 逆電流 |
ir |
VR = 5V |
/ / |
/ / |
10 |
μa |
|
光強度 光度 |
IV |
if = 20ma |
1500 |
3500 |
/ / |
MCD |
|
彩度 染色体の座標 |
バツ |
if = 20ma |
/ / |
0.28 |
/ / |
/ / |
|
y |
/ / |
0.29 |
/ / |
|||
|
強い角度をハーライライトします 表示角度 |
2θ1/2 |
if = 20ma |
/ / |
30 |
/ / |
deg |
備考:輝度テストトレランス±15%、波長テスト耐性±1nm、フロント電圧テストトレランス±をテストします0.1V(、、、x、y y)偏差±を調整します0.01エッセンス
注:強度の耐性 ±15%、波長の極性 ±1nm、前方電圧の極性± 0.1V、各色相(x、y)ビンの極性は±0.01.テスト時の上記の参照のみ。
第三に、極端なパラメーター 絶対最大評価
(周囲温度 アンビエントテンピキュア25℃相対湿度 湿度RH 60%。
|
プロジェクト アイテム |
シンボル シンボル |
価値 価値 |
ユニット ユニット |
述べる 述べる |
|
正の電流 フォワード電流 |
もし |
25 |
Ma |
|
|
フロント電流のピーク* ピークフォワード電流* |
IFP |
50 |
Ma |
|
|
消費電力 電力散逸 |
PD |
100 |
MW |
|
|
作業温度 操作気温 |
topr |
-40〜 +85 |
℃ |
|
|
保管温度 ストレージの温度 |
TSTG |
-40〜 +85 |
℃ |
|
|
溶接温度 はんだ付けの気温 |
TSOL |
260±5℃ |
℃ |
5秒未満 |
*注:パルス幅≤0.1ms、デューティ比≤を占有します1/10 *注:パルス幅≤0.1ms、義務≤1/10
仓库图片4
仓库图片3
仓库图片2
仓库图片1
必要な製品を選択してください
量
連絡先情報を提供します
受信アドレス
支払いが成功してから24時間以内
配達を手配します
7日以内に商品を受け取りました、新しい本物の製品
商品の受領を確認します