H-F3DHR
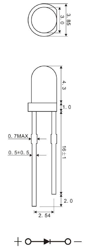
1. Chart Outline DimensionsThe

|
unit Unit |
tolerance Tolerance |
Chip material Die Material |
Colloid Lens color |
Glowing color Emitting color |
|
mm |
±0.2mm |
Algainp |
Water Clear |
Red |
2. Optical parameters Photo Electricity Parameter
(Ambient temperature Ambient tempicureThe25℃ relative humidity HumidityTheRH 60%.
|
project Item |
symbol Symbol |
Test Conditions Test Condition |
Minimum Min |
Typical Type |
Maximum Max |
unit Unit |
|
Reverse current Reverse Current |
Ir |
VR = 5V |
/ / |
/ / |
10 |
μA |
|
Forward Voltage Forward Voltage |
VF |
If = 20mA |
1.8 |
/ / |
2.4 |
V |
|
light intensity Luminous intensity |
IV |
450 |
850 |
/ / |
MCD |
|
|
Main wavelength Dominant wavelength |
λD |
620 |
/ / |
630 |
NM |
|
|
Halflight strong angle Viewing angle |
2θ1/2 |
/ / |
30 |
/ / |
DEG |
Remarks: Brightness test tolerance ±15%, Wavelength test tolerance ±1NM, Test the front voltage test tolerance ±0.1V
Remark: The tolerance of intensity ±15%, The TOLARANCE of Wavelength ±1Nm, The TOLARANCE of FORWARDS VOLTAGE± 0.1v.Only Reference for Above when testing.
Third, extreme parameters Absolute maximum rating
(Ambient temperature Ambient tempicureThe25℃ relative humidity HumidityTheRH 60%.
|
project Item |
symbol Symbol |
Value Value |
unit Unit |
Remark Remark |
|
Positive current Forward Current |
If |
25 |
ma |
|
|
Peak front current current* Peak FORWARD CURRENT* |
IFP |
50 |
ma |
|
|
Power consumption Power DISSIPATION |
PD |
75 |
MW |
|
|
Working temperature Operation Temperanture |
TOPR |
-40 to +85 |
℃ |
|
|
Storage temperature Storage Temperanture |
TSTG |
-40 to +85 |
℃ |
|
|
Welding temperature Soldering Temperanture |
TSOL |
260±5℃ |
℃ |
Less than 5 Second |
*Note: pulse width ≤0.1ms, Occupy a duty ratio ≤1/10 *Note: Pulse width≤0.1ms, duty≤1/10
仓库图片4
仓库图片3
仓库图片2
仓库图片1
Choose the product you need
Quantity
Provide your contact information
Receiving address
Within 24 hours after successful payment
Arrange delivery
Received goods within 7 days, a new genuine product
confirm the receipt of goods